50mm (2")
Gas Brad Nailer (18 Gauge Straight Brad Nails)
NT50GS
Features
- No need for compressor and hose
- Quick jam release and hook
- Fire mode: Single action
- Tool-less adjustment in driving depth
- Soft grip handle
- Includes a cassette Lithium-ion battery and AC/DC Charger
Specifications
| Driving System | Piston Reciprocating Action(Gas Powered) |
|---|---|
| Driving Speed | 2-nails/sec. |
| Loading capacity | 100 nails |
| Dimensions (L x H) | 270 x 281mm(10-5/8" x 11-1/8") |
| Weight | 1.8kg (4.0lbs.) |
| Standard Accessories | Battery (EBM315), Charger (UC3SML), AC Adapter, Cigarette Lighter Connecting Plug, Wrench, Nose Cap, Eye Protector, Carrying Case |
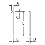
Applicable nail sizes
mm (in.)
![]() |
L | 16(5/8) - 50(2) |
|---|---|---|
| A | 1.9(.075) | |
| B | 1.0(.039) | |
| C | 1.1(.043) | |
| D | 1.25(.049) |
Note: Manufacturer reserves the right to change specifications of parts and accessories without notice. Specifications and standard accessories may vary from country to country.
- Please contact local dealers for product availability and product details.

